blog
Home blog

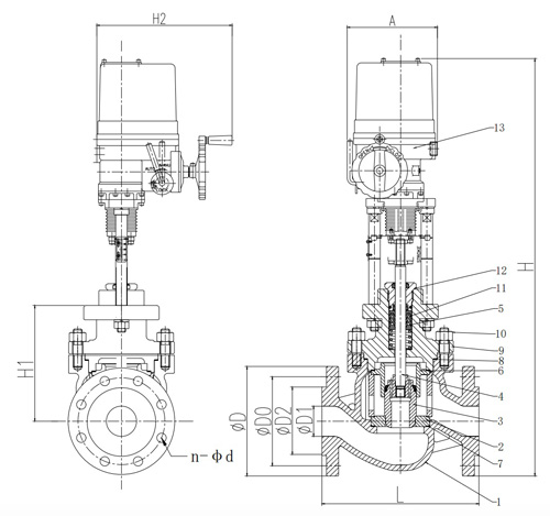
Electric Pressure Balance Single Seat Control Valve with a Double Flap On Each Side

Electric Pressure Balance Single Seat Control Valve with a Double Flap On Each Side

November 30, -0001

Introduction:

 

In the dynamic world of industrial processes, precision control is paramount. Introducing GEKO's revolutionary Electric Pressure Balance Single Seat Control Valve with a double flap on each side, a cutting-edge solution designed to elevate your control capabilities to unprecedented levels.

 

Electric-Pressure-Balance-Single-Seat-Control-Valve-with-a-Double-Flap-On-Each-Side.jpg

 

Key Features:

 

Precision Redefined:

GEKO's Electric Pressure Balance Valve is engineered to deliver unparalleled precision in controlling flow rates and pressure. The double flap design on each side ensures a responsive and accurate modulation, allowing for optimal process control in diverse applications.

 

Pressure Balance Technology:

The pressure balance technology incorporated in this control valve ensures stability and reliability in operation. Experience consistent performance even in challenging and fluctuating process conditions, thanks to GEKO's commitment to cutting-edge engineering.

 

Double Flap Advantage:

The double flap design on each side of the valve is a game-changer. It enhances control precision, minimizes hysteresis, and optimizes response time. This innovative feature sets GEKO apart as a leader in control valve technology.

 

Versatility Unleashed:

Whether you are in the chemical, petrochemical, power generation, or other process industries, GEKO's Electric Pressure Balance Valve is designed to adapt to a wide range of applications. Its versatility makes it a go-to solution for engineers and operators seeking a reliable and adaptable control valve.

 

Seamless Integration:

Integration into existing control systems is seamless, allowing for a hassle-free upgrade to your current setup. Experience the benefits of modern control technology without the disruption of extensive modifications.

 

Robust Construction:

GEKO understands the demands of industrial environments. The control valve is built with durability in mind, featuring a robust construction that ensures longevity and minimal maintenance, contributing to overall cost-effectiveness.

 

Conclusion:


GEKO's Electric Pressure Balance Single Seat Control Valve with a double flap on each side is a game-changing solution for industries seeking precision, efficiency, and reliability. Elevate your control capabilities and stay ahead in the competitive landscape with GEKO's commitment to innovation and excellence. Invest in the future of control technology – choose GEKO.  info@geko-union.com

 

leave a message

leave a message
If you are interested in our products and want to know more details,please leave a message here,we will reply you as soon as we can.
submit

home

products

contact